-
²úÆ·¸ÅÊö
-
²úÆ·×ÊÁÏ
ͼƬ£¨2£©
NL1-63Ê£ÓàµçÊ¢Ðж¯¶Ï·Æ÷
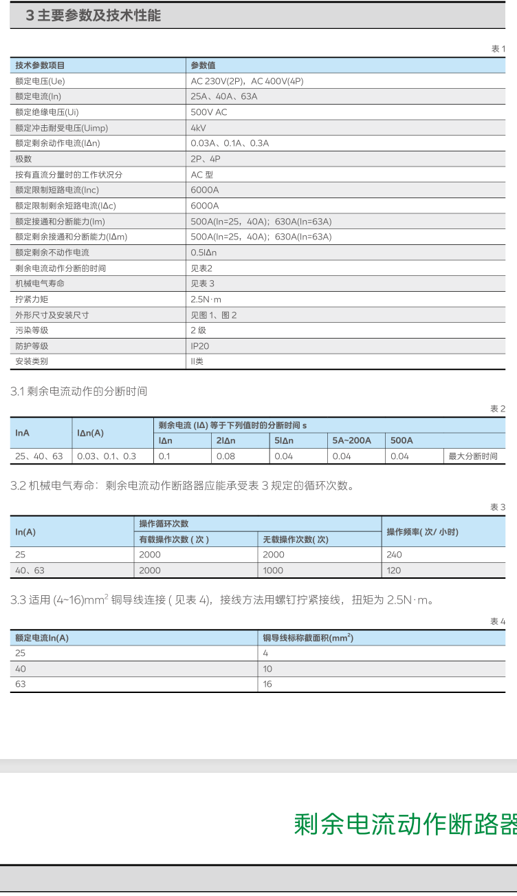
NL1-63 Ê£ÓàµçÊ¢Ðж¯¶Ï·Æ÷ ( ²»´ø¹ýµçÁ÷±£»¤ ) ÊÊÓÃÓÚ½»Á÷ 50Hz£¬¶î¶¨µçѹÄϱ±¼« 230V£¬Ëļ«400V£¬¶î¶¨µçÁ÷ÖÁ 63A Ïß·ÖУ¬µ±ÈËÉí´¥µç»òµçÍøÐ¹Ð¹µçÁ÷Áè¼Ý»®¶¨ÖµÊ±£¬Ê£ÓàµçÊ¢Ðж¯¶Ï·Æ÷ÄÜÔÚ¼«¶ÌµÄʱ¼äÄÚѸËÙÇжϹÊÕϵçÔ´£¬±£»¤ÈËÉí¼°Óõç×°±¸µÄÇå¾²£¬Òà¿É×÷ΪÏß·µÄ²»ÆµÈÔת»»Æð¶¯Ö®Óá£
²úÆ·ÊÊÓÃÓÚ¹¤Òµ¡¢ÉÌÒµ¡¢¸ß²ãºÍÃñÓÃסլµÈÖÖÖÖ³¡ºÏ¡£
Çкϱê×¼£ºGB/T 16916.1¡¢IEC 61008-1£¬»ñµÃ CCC£¬SEMKO£¬CE£¬RCC£¬EAC µÈÈÏÖ¤¡£
²úÆ·×ÊÁÏ
ÏÂÔØÑ¡ÖÐ
-
²úÆ·Ñù±¾
-
NL1-63 Ê£ÓàµçÊ¢Ðж¯¶Ï·Æ÷ Ñù±¾²á¡ª¡ª2025°æ.pdf
1.62MB
-
-
ÊÖÒÕ²ÎÊý

-
ÈÏÖ¤Ö¤Êé
-
NL1-63,63YÖ¤Ê飨CCC£©202407.pdf
1.83MB
-
NL1-100 -159809-50683-ENG.pdf
510KB
-
-
ÊÔÑ鱨¸æ
-
NL1-63ÊÔÑ鱨¸æ·âÃæÓë½áÂÛ£¨CQC£©202210.pdf
4.65MB
-
NL1-63ÊÔÑ鱨¸æ·âÃæÓë½áÂÛ£¨CQC£©202312.pdf
1.49MB
-
-
ʹÓÃ˵Ã÷Êé
-
NL1-63Ê£ÓàµçÊ¢Ðж¯¶Ï·Æ÷˵Ã÷Êéµç×Ó°æ(ÖÐÎÄ)2023Äê11Ô°æ.pdf
1.37MB
-
-
Èýάģ×Óͼ
-
NL1-63 4PÊ£ÓàµçÊ¢Ðж¯¶Ï·Æ÷Èýάģ×Ó202407.stp
10.49MB
-
NL1-63 2PÊ£ÓàµçÊ¢Ðж¯¶Ï·Æ÷Èýάģ×Ó202307.stp
6.64MB
-
NL1-100Ë«»ã2PÊ£ÓàµçÊ¢Ðж¯¶Ï·Æ÷Èýάģ×Ó.stp
5.36MB
-
NL1-100 3P&NÊ£ÓàµçÊ¢Ðж¯¶Ï·Æ÷Èýάģ×Ó202010.stp
5.26MB
-
NL1-100 1P&NÊ£ÓàµçÊ¢Ðж¯¶Ï·Æ÷Èýάģ×Ó202010.stp
3.92MB
-
NL1-63 4PÊ£ÓàµçÊ¢Ðж¯¶Ï·Æ÷Èýάģ×Ó202307.stp
10.45MB
-
NL1-63 3P&NÊ£ÓàµçÊ¢Ðж¯¶Ï·Æ÷Èýάģ×Ó202010.stp
7.35MB
-
NL1-63 2PÊ£ÓàµçÊ¢Ðж¯¶Ï·Æ÷Èýάģ×Ó202407.stp
6.48MB
-
NL1-63 1P&NÊ£ÓàµçÊ¢Ðж¯¶Ï·Æ÷Èýάģ×Ó202010.stp
5.28MB
-
NL1-100 4PÊ£ÓàµçÊ¢Ðж¯¶Ï·Æ÷Èýάģ×Ó202307.stp
8.89MB
-
-
ÐÎ×´×°Öóߴçͼ
-
NL1-100 1P&NÊ£ÓàµçÊ¢Ðж¯¶Ï·Æ÷ÐÎ×´×°ÖóߴçͼPDFÎļþ202202.pdf
53KB
-
NL1-63 3P&NÊ£ÓàµçÊ¢Ðж¯¶Ï·Æ÷ÐÎ×´×°ÖóߴçͼPDFÎļþ202202.pdf
53KB
-
NL1-63 1P&NÊ£ÓàµçÊ¢Ðж¯¶Ï·Æ÷ÐÎ×´×°ÖóߴçͼPDFÎļþ202202.pdf
53KB
-
-
ÐÎ×´×°ÖóߴçͼԴÎļþ
-
NL1-63 1P&NÊ£ÓàµçÊ¢Ðж¯¶Ï·Æ÷ÐÎ×´×°Öóߴçͼ202202.dwg
214KB
-
NL1-100 1P&NÊ£ÓàµçÊ¢Ðж¯¶Ï·Æ÷ÐÎ×´×°Öóߴçͼ202202.dwg
214KB
-
NL1-100 3P&NÊ£ÓàµçÊ¢Ðж¯¶Ï·Æ÷ÐÎ×´×°Öóߴçͼ202202.dwg
214KB
-
NL1-63 3P&NÊ£ÓàµçÊ¢Ðж¯¶Ï·Æ÷ÐÎ×´×°Öóߴçͼ202202.dwg
214KB
-
ÏÂÔØÑ¡ÖÐ
ÐèÒª×ÊÖú£¿
-
ÏîÄ¿×Éѯ
ÈôÊÇÄúÏëÒª¹ºÖòúÆ·£¬ÇëÁªÏµw88Óŵ¹ÙÍø£¬ÎÒÃǵÄÍŶӺÜÊÇÔ¸ÒâΪÄúÌṩ×ÊÖú¡£
ÎÒÒª×Éѯ -
Ñ¡ÐͲúÆ·
ÔÚ´ËÄú¿ÉÒÔÄú¿ÉÒÔÔÚÏßÑ¡ÐͲúÆ·£¬¸ü¿ìËÙ¾«×¼µØÕÒµ½ÄúÏëÒªµÄ²úÆ·¡£
²úÆ·Ñ¡ÐÍ -
ÁªÏµ¿Í·þ
ÎÒÃǵĿͷþÍŶӿÉΪÄúÌṩ²úÆ·×ÊÁÏ¡¢ÊÖÒÕÖ§³Ö¡¢Í¶Ëß×ÊÖúµÈ·þÎñ£¬ÇëÁªÏµËûÃÇ¡£
»ñµÃÖ§³Ö